首页 > 其他 > 详细

电赛初探(二)——语音采集回放系统

时间:2015-07-07 19:11:02      阅读:500      评论:0      收藏:0      [点我收藏+]

一、系统结构

技术分享

1.基本要求
  (1)话音/功率放大器增益均可调;
  (2)带通滤波器:通带为300Hz~3.4kHz ;
  (3)ADC:采样频率f s=8kHz,字长不小于8位;
  (4)语音存储时间≥10秒;
  (5)DAC:变换频率f c=8kHz,字长不小于8位;
  (6)回放语音质量良好。

2.发挥部分

在保证语音质量的前提下:
  (1)减少系统噪声电平,增加自动音量控制功能;
  (2)语音存储时间增加至20秒以上;
  (3)提高存储器的利用率(在原有存储容量不变的前提下,提高语音存储时间);
  (4)把采集的语音信号在显示屏上显示。

 

二、咪头放大电路设计

1、电路仿真

技术分享

2、要点:

(1) 系统的增益主要通过R5这个滑动变阻器来控制,咪头采集的信号的幅值,必须控制好,否则在进入AD转换后会导致失真。

(2) 必要时可不需要第二级运放电路,第二级电路只是起一个转接下一级的作用。

(3) 由于咪头采集的信号不仅仅是音频信号,所以之后必须加入一个带通滤波过滤掉无用信号。

 

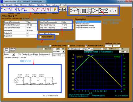
三、带通滤波器的设计

1、设计软件

技术分享

 

2、电路仿真

技术分享

 

3、设计要点

(1)选取高Q值,且斜率比较陡的电路较好。

(2)一般需要强制阶数,要不电路太庞大

(3)明白调节增益的关键电阻。

 

四、AD0809设计

1、程序如下:

#ifndef _ADC0809_H
#define _ADC0809_H

#include "stm32f10x.h"
#include "init.h"
#include "stm32f10x_gpio.h"
#include "stm32f10x_tim.h"


//ADC0809μ???????-GPIOA
#define CLK GPIO_Pin_0
//μ??·ê??ˉéè??
//#define A     GPIO_Pin_1
//#define B        GPIO_Pin_11
//#define C   GPIO_Pin_3
#define ALE GPIO_Pin_4 //μ??·??′??êDíD?o?ê?è???£?ALE=1£?μ??·??′?
#define ST    GPIO_Pin_5 //×a?????ˉD?o?
#define OE    GPIO_Pin_6 //ê?3??êDí??????£?OE=1,ê?3?×a??êy?Y

//ADC0809μ?êy×?ê?3?-GPIOB
#define D0     GPIO_Pin_0
#define D1     GPIO_Pin_1
#define D2     GPIO_Pin_2
#define D3     GPIO_Pin_3
#define D4    GPIO_Pin_4
#define D5     GPIO_Pin_5
#define D6     GPIO_Pin_6
#define D7     GPIO_Pin_7
#define EOC GPIO_Pin_8 //×a???áê?D?o?£?EOC=1ê±£?×a???áê?



void adc0809_init(void);

u8 adc0809_input(void); //AD2é?ù

void ADC0809_Clock(void); //ADC0809Clock2¨


#endif
#include "adc0809.h"
#include "gpio.h"
#include "timer.h"
#include "pbdata.h"


void adc0809_init(void)
{
    //ê?3?1ü??
    set_out(GPIOA, CLK|ALE|ST|OE);
    
    //ê?è?1ü??
    set_FIN(GPIOB, D0|D1|D2|D3|D4|D5|D6|D7|EOC);
    timer2_pwm(600*1000, 0.5); //A01ü??
    
    set_outL(GPIOA, ALE);
//μ??·ê??ˉéè??
//    set_outL(GPIOA, A);
//    set_outL(GPIOA, B);
//    set_outL(GPIOA, C);
    delay_us(5);
    set_outH(GPIOA, ALE); //μ??·??′?
}

u8 adc0809_input() //AD2é?ù
{
    u8 val;
    //ST2úéúé?éy??oí???μ??£oé?éy??£???′??÷??á?£????μ??£o?aê?AD×a??
    set_outH(GPIOA,ST);
    delay_us(5);
    set_outL(GPIOA, ST);
    delay_us(5);
    while(read_in(GPIOB, EOC) == 0); //×a??1y3ì
    
//    EXTI_GenerateSWInterrupt(EXTI_Line14);
    
    set_outH(GPIOA,OE); //ê?3??êDí??????£?OE=1,ê?3?×a??êy?Y
    val = read_in(GPIOB, D0)*0x0001 + read_in(GPIOB, D1)*0x0002 +
          read_in(GPIOB, D2)*0x0004 + read_in(GPIOB, D3)*0x0008 +
          read_in(GPIOB, D4)*0x0010 + read_in(GPIOB, D5)*0x0020 +
        read_in(GPIOB, D6)*0x0040 + read_in(GPIOB, D7)*0x0080;
    
    set_outL(GPIOA,OE);
    
    return val;
}

华丽的分割!!!!!!!!!!!!!!!

这里是程序中的调用:

adc0809_init();
val = adc0809_input();
DtoB(valB,val);
set_outL(GPIOC,ILE);
delay_us(5);

2、要点

(1) AD需要单片机提供500KHz的方波作为时钟信号,当你提供500KHz的时钟信号时,AD0809便会以8KHz的频率进行采样。

(2) 程序中需要巧妙使用EOC提供的转换停止信号,进行采集,以及接下来的储存和DA转化所应该采取的频率基础来源。

(3) AD0809的参考电压只能是正,且不能大于10V。

 

五、DA0832使用

1、程序如下

#include "stm32f10x.h"


//DAC0832μ?êy×?ê?è?-GPIOC
#define DI0 GPIO_Pin_0
#define DI1 GPIO_Pin_1
#define DI2 GPIO_Pin_2
#define DI3 GPIO_Pin_3
#define DI4 GPIO_Pin_4
#define DI5 GPIO_Pin_5
#define DI6 GPIO_Pin_6
#define DI7 GPIO_Pin_7
#define ILE GPIO_Pin_8

void da0832_init(void);

void DtoB(int valB[],int val);
#include "adc0809.h"
#include "gpio.h"
#include "timer.h"
#include "pbdata.h"


void adc0809_init(void)
{
    //ê?3?1ü??
    set_out(GPIOA, CLK|ALE|ST|OE);
    
    //ê?è?1ü??
    set_FIN(GPIOB, D0|D1|D2|D3|D4|D5|D6|D7|EOC);
    timer2_pwm(600*1000, 0.5); //A01ü??
    
    set_outL(GPIOA, ALE);
//μ??·ê??ˉéè??
//    set_outL(GPIOA, A);
//    set_outL(GPIOA, B);
//    set_outL(GPIOA, C);
    delay_us(5);
    set_outH(GPIOA, ALE); //μ??·??′?
}

u8 adc0809_input() //AD2é?ù
{
    u8 val;
    //ST2úéúé?éy??oí???μ??£oé?éy??£???′??÷??á?£????μ??£o?aê?AD×a??
    set_outH(GPIOA,ST);
    delay_us(5);
    set_outL(GPIOA, ST);
    delay_us(5);
    while(read_in(GPIOB, EOC) == 0); //×a??1y3ì
    
//    EXTI_GenerateSWInterrupt(EXTI_Line14);
    
    set_outH(GPIOA,OE); //ê?3??êDí??????£?OE=1,ê?3?×a??êy?Y
    val = read_in(GPIOB, D0)*0x0001 + read_in(GPIOB, D1)*0x0002 +
          read_in(GPIOB, D2)*0x0004 + read_in(GPIOB, D3)*0x0008 +
          read_in(GPIOB, D4)*0x0010 + read_in(GPIOB, D5)*0x0020 +
        read_in(GPIOB, D6)*0x0040 + read_in(GPIOB, D7)*0x0080;
    
    set_outL(GPIOA,OE);
    
    return val;
}

 

2、要点

(1) DA0832芯片输出的是电流信号,也就是说DA出来的是电流量,我们需要外接一个运放来转换成电压信号。

(2) DA0832芯片输出时候的频率应该由EOC来控制。

(3) DA0832芯片输出会产生反相的作用

(4) DA0832与AD0809在直通时,会产生低频干扰,但由于是采集回放系统,所以很好的避免这个问题。否则需要采取软件去抖动的方法。

 

六、SD储存

1、程序如下

#ifndef _SD_H
#define _SD_H

#include "stm32f10x.h"
#include "pbdata.h"
#include "stm32f10x.h"
#include "usart1.h"
#include "stm32f10x_gpio.h"
#include "SD_driver.h"

#define LED_D1_ON()  (GPIOA->ODR &= ~GPIO_Pin_8)
#define LED_D1_OFF() (GPIOA->ODR |= GPIO_Pin_8)

void ConfigurationLED(void);
void InitSys(void);
void InitBSP(void);




#endif
#include "SD.h"


void ConfigurationLED(void)
{
  GPIO_InitTypeDef GPIO_InitStructure;
  
  RCC_APB2PeriphClockCmd( RCC_APB2Periph_GPIOB , ENABLE); 
  RCC_APB2PeriphClockCmd( RCC_APB2Periph_GPIOA , ENABLE);                         
/**
 *    LED -> PB1
 */                     
  GPIO_InitStructure.GPIO_Pin = GPIO_Pin_8;
  GPIO_InitStructure.GPIO_Speed = GPIO_Speed_50MHz;
  GPIO_InitStructure.GPIO_Mode = GPIO_Mode_Out_PP; 
  GPIO_Init(GPIOA, &GPIO_InitStructure);
}

void InitSys(void)
{
     SystemInit();
}
/***************************************************************************************/
void InitBSP(void)
{
  ConfigurationUsart1();
    ConfigurationLED();
    printf("\r\n this is a SD Test demo \r\n");
    USART1_printf(USART1, "\r\n this is a SD Test demo \r\n");
    USART1_printf(USART1, "\r\n ("__DATE__ " - " __TIME__ ") \r\n"); 

    ConfigurationSDCard(); 
while(1) 
    {
        if(TestSD_ReadWriteFunction())
            {
                printf ( "SD ReadWriteFunction success !\n"); 
            break;
            }
    LED_D1_ON();  //D1 
    printf ( "SD ReadWriteFunction error !\n");   
  }

}

华丽的分割!!!!!!!!!!!!!!!!!!!!!!!!!!!

完整版的AD DA SD程序(仅仅main函数)

u16 sound_p = 0;
  InitSys();
  InitBSP();
    set_out(GPIOA,Pin8);
    extern_interrupt_init();
    adc0809_init();
    da0832_init();
    set_outL(GPIOA, ST);
    set_out(GPIOA,Pin11);
    
    //timer3_init(10000); //?¨ê±?÷?D??????
    //RCC_APB1PeriphClockCmd(RCC_APB1Periph_TIM3, DISABLE);
    while(1)
    {
        if(function == Function_In)
        {
         val = adc0809_input();
             music[i++]=val;
            // printf("\r %d \n",val);
          if(i>=512)
          {
               i=0;
               if(SD_WriteSingleBlock(++Sector_pointer_In, music))
               {
                 //    printf("Write Error!");
               }
          }    
        }
        
        if(function==Function_Out)
        {
            
        set_outL(GPIOA, ST);
      delay_us(5);
        set_outH(GPIOA,ST);
            delay_us(5);
            set_outL(GPIOA, ST);
            delay_us(5);
            while(read_in(GPIOB, EOC) == 0); //×a??1y3ì
            if((Sector_pointer_Out<=Sector_pointer_In)&&(Sector_pointer_In!=0))
            {
                    if(i==0)
              {
                 if(SD_ReadSingleBlock(++Sector_pointer_Out, music))
               {
                 //    printf("Read Error!");
               }
              }
                DtoB(valB,music[i++]);
                //  printf("\r %d \n",music[i-1]);
        
              GPIO_SetBits(GPIOC, DI0*valB[0] + DI1*valB[1] + DI2*valB[2] + DI3*valB[3] + 
                                        DI4*valB[4] + DI5*valB[5] + DI6*valB[6] + DI7*valB[7]);
              GPIO_ResetBits(GPIOC, DI0*(1-valB[0]) + DI1*(1-valB[1]) + DI2*(1-valB[2]) + DI3*(1-valB[3]) + 
                                        DI4*(1-valB[4]) + DI5*(1-valB[5]) + DI6*(1-valB[6]) + DI7*(1-valB[7]));
                if(i>=512)
            {
               i=0;
            }
            }
            else
            {
                function=Function_Stop;
            }
}

 

七、功率放大电路

1、采用TDA2030A作为功放芯片,电路如下:

技术分享

 

2、要点:

(1)需要调节C7的电容,去掉直流分量。。。虽然不知道为什么会有,在测试的时候220nF会产生10V的直流分量。

(2)需要改变R1来控制增益。

 

八、总PCB设计

技术分享

要点:

(1)各级电路之间要用短接帽的方式隔开

(2)电源排针需要多接几个,弄成一排。

(3)电源要用大电容小电容进行滤波

(4)半手工PCB版由于工艺。。最好是把铜线布宽点。

 

九、成品图

技术分享

电赛初探(二)——语音采集回放系统

原文:http://www.cnblogs.com/BlueMountain-HaggenDazs/p/4627624.html

(0)
(0)
   
举报
评论 一句话评论(0
关于我们 - 联系我们 - 留言反馈 - 联系我们:wmxa8@hotmail.com
© 2014 bubuko.com 版权所有
打开技术之扣,分享程序人生!