一、常用稳压芯片:MC7800, MC7800A, LM340, LM340A 系列
芯片手册:
http://download.csdn.net/detail/a1181803348/8398553
输入电压:5-18V
引脚:

输出电压:

输出电流:大于1A
典型电路:

Co选择0.1uF以下,使电路稳定
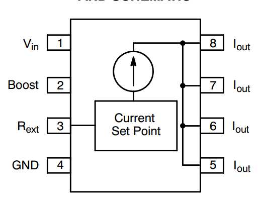
二、恒流源NUD4001
http://download.csdn.net/detail/a1181803348/8398639
通常用于驱动LED
输入电压<30v
输出电流<500mA
输出电压<28V
封装:

典型电路:




原文:http://www.cnblogs.com/liubo118/p/4251048.html