本篇将记录 stm32的时钟系统。
1、STM32时钟介绍
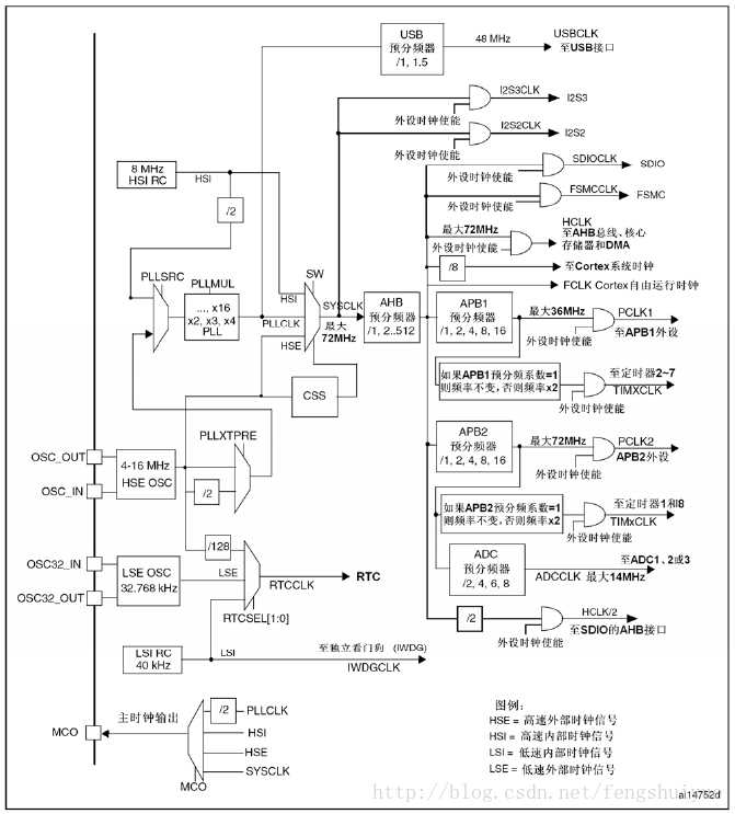
下面这幅图时stm32的时钟系统框图

1)蓝底框表示 时钟源,即:
①HSI是高速内部时钟,RC振荡器,频率为8MHz。
②HSE是高速外部时钟,可接石英/陶瓷谐振器,或者接外部时钟源,频率范围为4MHz~16MHz。
③LSI是低速内部时钟,RC振荡器,频率为40kHz。(WDG看门狗 使用该时钟源)
④LSE是低速外部时钟,接频率为32.768kHz的石英晶体。(RTC实时时钟 使用该时钟源)
⑤PLL为锁相环倍频输出,其时钟输入源可选择为HSI/2、HSE或者HSE/2。倍频可选择为2~16倍,但是其输出频率最大不得超过72MHz。
其中HSE和LSE是通过单片机外部的晶振输入的,一共四个管脚,HSE的输入管脚是OSC_IN和OSC_OUT(通常为8M),
LSE的输入管脚对应的引脚为OSC32_IN和OSC32_OUT(32.768kHz)
2)梯形表示 选择器,例如:

梯形表示 SYSCLK系统时钟的来源可以使HSI RC、PLLCLK、HSE Osc(即HSI振荡器时钟、HSE振荡器时钟、PLL时钟)
3)绿色方框 表示 预分频器(prescaler)
4)该图片如何看,比如下图:

按照上图深红色 的路线来解释:PLL的时钟源 经过前面的选择器 假设为8MHz,经过PLL 9倍频后 PLLCLK的频率为72MHz,则经过选择器 SYSCLK(系统时钟)频率为72MHz,经过AHB分频器 1分频后 HCLK输出频率72MHz,经过APB1分频器 2分频后 PCLK1频率为36MHz; 经过APB2分频器 1分频后 PCLK2频率为72MHz。
5)时钟输出MCO脚(PA8),可以选择PLL输出的2分频、HSI、HSE或者系统时钟。

6)任何一个外设在使用之前,必须首先使能其相应的时钟。
7)需要记住几个重要的时钟
- SYSCLK(系统时钟)
- AHB总线时钟
- APB1总线时钟(低速),速度最高到36MHz
- APB2总线时钟(高速),速度最高到72MHz
- PLL时钟
下面贴一张《STM32中文手册》中的时钟图,该图和上面的图表示的意思是一致的,我们看看官方是如何展示 时钟框图的。

2、(时钟控制)RCC寄存器
typedef struct { __IO uint32_t CR; //HSI,HSE,CSS,PLL等的使能和就绪标志位 __IO uint32_t CFGR; //PLL等的时钟源选择,分频系数设定 __IO uint32_t CIR; //清除/使能 时钟就绪中断 __IO uint32_t APB2RSTR; //APB2线上外设复位寄存器 __IO uint32_t APB1RSTR; //APB1线上外设复位寄存器 __IO uint32_t AHBENR; //DMA,SDIO等时钟使能 __IO uint32_t APB2ENR; //APB2线上外设时钟使能 __IO uint32_t APB1ENR; //APB1线上外设时钟使能 __IO uint32_t BDCR; //备份域控制寄存器 __IO uint32_t CSR; //控制状态寄存器 } RCC_TypeDef;
上面是RCC寄存器的结构体定义,结构体中的每个变量的每一位代表什么需要我们参考《STM32中文手册》第6章的6.3小节 RCC寄存器描述来了解,现仅对一个变量CR贴出 参考手册 的描述,其余的就不列出了,参考手册即可。

3、系统时钟初始化
上面仅仅是对 时钟控制器 做了一个概念性的介绍,在编写程序时我们一般不直接操作 RCC_TypeDef结构体,而是调用相应的库函数来编程。
在此我们先看一下 库函数中 系统默认如何初始化这些 寄存器的,我们先看一段汇编程序,我们知道c中默认的程序入口是main函数,那main函数的如何调用的呢,我们先来看如下程序(该程序在startup_stm32f10x_hd.s中可以找到):
; Reset handler Reset_Handler PROC EXPORT Reset_Handler [WEAK] IMPORT __main IMPORT SystemInit LDR R0, =SystemInit BLX R0 LDR R0, =__main BX R0 ENDP
从上面的程序中可以看出 在main函数调用前,调用了SystemInit函数,该函数的定义可以在system_stm32f10x.c中找到,源码如下:
#if defined (STM32F10X_LD_VL) || (defined STM32F10X_MD_VL) || (defined STM32F10X_HD_VL) /* #define SYSCLK_FREQ_HSE HSE_VALUE */ #define SYSCLK_FREQ_24MHz 24000000 #else /* #define SYSCLK_FREQ_HSE HSE_VALUE */ /* #define SYSCLK_FREQ_24MHz 24000000 */ /* #define SYSCLK_FREQ_36MHz 36000000 */ /* #define SYSCLK_FREQ_48MHz 48000000 */ /* #define SYSCLK_FREQ_56MHz 56000000 */ #define SYSCLK_FREQ_72MHz 72000000 #endif /*!< Uncomment the following line if you need to use external SRAM mounted on STM3210E-EVAL board (STM32 High density and XL-density devices) or on STM32100E-EVAL board (STM32 High-density value line devices) as data memory */ #if defined (STM32F10X_HD) || (defined STM32F10X_XL) || (defined STM32F10X_HD_VL) /* #define DATA_IN_ExtSRAM */ #endif /******************************************************************************* * Clock Definitions *******************************************************************************/ #ifdef SYSCLK_FREQ_HSE uint32_t SystemCoreClock = SYSCLK_FREQ_HSE; /*!< System Clock Frequency (Core Clock) */ #elif defined SYSCLK_FREQ_24MHz uint32_t SystemCoreClock = SYSCLK_FREQ_24MHz; /*!< System Clock Frequency (Core Clock) */ #elif defined SYSCLK_FREQ_36MHz uint32_t SystemCoreClock = SYSCLK_FREQ_36MHz; /*!< System Clock Frequency (Core Clock) */ #elif defined SYSCLK_FREQ_48MHz uint32_t SystemCoreClock = SYSCLK_FREQ_48MHz; /*!< System Clock Frequency (Core Clock) */ #elif defined SYSCLK_FREQ_56MHz uint32_t SystemCoreClock = SYSCLK_FREQ_56MHz; /*!< System Clock Frequency (Core Clock) */ #elif defined SYSCLK_FREQ_72MHz uint32_t SystemCoreClock = SYSCLK_FREQ_72MHz; /*!< System Clock Frequency (Core Clock) */ #else /*!< HSI Selected as System Clock source */ uint32_t SystemCoreClock = HSI_VALUE; /*!< System Clock Frequency (Core Clock) */ #endif __I uint8_t AHBPrescTable[16] = {0, 0, 0, 0, 0, 0, 0, 0, 1, 2, 3, 4, 6, 7, 8, 9}; static void SetSysClock(void); /** * @brief Setup the microcontroller system * Initialize the Embedded Flash Interface, the PLL and update the * SystemCoreClock variable. * @note This function should be used only after reset. * @param None * @retval None */ void SystemInit (void) { /* Reset the RCC clock configuration to the default reset state(for debug purpose) */ /* Set HSION bit */ RCC->CR |= (uint32_t)0x00000001; /* Reset SW, HPRE, PPRE1, PPRE2, ADCPRE and MCO bits */ #ifndef STM32F10X_CL RCC->CFGR &= (uint32_t)0xF8FF0000; #else RCC->CFGR &= (uint32_t)0xF0FF0000; #endif /* STM32F10X_CL */ /* Reset HSEON, CSSON and PLLON bits */ RCC->CR &= (uint32_t)0xFEF6FFFF; /* Reset HSEBYP bit */ RCC->CR &= (uint32_t)0xFFFBFFFF; /* Reset PLLSRC, PLLXTPRE, PLLMUL and USBPRE/OTGFSPRE bits */ RCC->CFGR &= (uint32_t)0xFF80FFFF; #ifdef STM32F10X_CL /* Reset PLL2ON and PLL3ON bits */ RCC->CR &= (uint32_t)0xEBFFFFFF; /* Disable all interrupts and clear pending bits */ RCC->CIR = 0x00FF0000; /* Reset CFGR2 register */ RCC->CFGR2 = 0x00000000; #elif defined (STM32F10X_LD_VL) || defined (STM32F10X_MD_VL) || (defined STM32F10X_HD_VL) /* Disable all interrupts and clear pending bits */ RCC->CIR = 0x009F0000; /* Reset CFGR2 register */ RCC->CFGR2 = 0x00000000; #else /* Disable all interrupts and clear pending bits */ RCC->CIR = 0x009F0000; #endif /* STM32F10X_CL */ #if defined (STM32F10X_HD) || (defined STM32F10X_XL) || (defined STM32F10X_HD_VL) #ifdef DATA_IN_ExtSRAM SystemInit_ExtMemCtl(); #endif /* DATA_IN_ExtSRAM */ #endif /* Configure the System clock frequency, HCLK, PCLK2 and PCLK1 prescalers */ /* Configure the Flash Latency cycles and enable prefetch buffer */ SetSysClock(); #ifdef VECT_TAB_SRAM SCB->VTOR = SRAM_BASE | VECT_TAB_OFFSET; /* Vector Table Relocation in Internal SRAM. */ #else SCB->VTOR = FLASH_BASE | VECT_TAB_OFFSET; /* Vector Table Relocation in Internal FLASH. */ #endif } /** * @brief Configures the System clock frequency, HCLK, PCLK2 and PCLK1 prescalers. * @param None * @retval None */ static void SetSysClock(void) { #ifdef SYSCLK_FREQ_HSE SetSysClockToHSE(); #elif defined SYSCLK_FREQ_24MHz SetSysClockTo24(); #elif defined SYSCLK_FREQ_36MHz SetSysClockTo36(); #elif defined SYSCLK_FREQ_48MHz SetSysClockTo48(); #elif defined SYSCLK_FREQ_56MHz SetSysClockTo56(); #elif defined SYSCLK_FREQ_72MHz SetSysClockTo72(); #endif /* If none of the define above is enabled, the HSI is used as System clock source (default after reset) */ }
1)从上面代码逐行往下看,我们知道我们前面的程序 定义的宏定义是 STM32F10X_HD,如下图

2)从而在初始化器确定了系统时钟频率为(72MHz):‘#define SYSCLK_FREQ_72MHz 72000000’
初始化智慧的状态为:
SYSCLK 72MHz
AHB 72MHz
PCLK1 36MHz
PCLK2 72MHz
PLL 72MHz
3)SystemInit()函数的第一行代码RCC->CR |= (uint32_t)0x00000001;我们查手册 CR寄存器第一位置1,表示开启8MHz内部振荡器,后续的代码阅读如该句,都需要参照手册 来理解,在此不再说明。
4)初始化之后可以通过变量SystemCoreClock获取系统变量。如果SYSCLK=72MHz,那么变量SystemCoreClock=72000000。
4、RCC寄存器配置库函数
上面了解了 stm32默认给我们配置的是 什么样的时钟源,若我们想自定义,则需要借助系统库函数来进行修改,则我需要用到 stm32f10x_rcc.h里定义的库函数
时钟使能配置:
RCC_LSEConfig() 、RCC_HSEConfig()、
RCC_HSICmd() 、 RCC_LSICmd() 、 RCC_PLLCmd() ……
时钟源相关配置:
RCC_PLLConfig ()、 RCC_SYSCLKConfig() 、
RCC_RTCCLKConfig() …
分频系数选择配置:
RCC_HCLKConfig() 、 RCC_PCLK1Config() 、 RCC_PCLK2Config()…
外设时钟使能:
RCC_APB1PeriphClockCmd(): //APB1线上外设时钟使能 RCC_APB2PeriphClockCmd(); //APB2线上外设时钟使能 RCC_AHBPeriphClockCmd(); //AHB线上外设时钟使能
其他外设时钟配置:
RCC_ADCCLKConfig (); RCC_RTCCLKConfig();
状态参数获取参数:
RCC_GetClocksFreq();
RCC_GetSYSCLKSource();
RCC_GetFlagStatus()
RCC中断相关函数 :
RCC_ITConfig() 、 RCC_GetITStatus() 、 RCC_ClearITPendingBit()…
分享一个时钟方面的详细分析资料
(时钟系统)
http://www.makeru.com.cn/live/1392_1082.html?s=45051
STM32中断系统
http://www.makeru.com.cn/live/3523_1745.html?s=45051
原文:https://www.cnblogs.com/8734ujn/p/11578010.html