37款传感器与模块的提法,在网络上广泛流传,其实Arduino能够兼容的传感器模块肯定是不止37种的。鉴于本人手头积累了一些传感器和模块,依照实践出真知(一定要动手做)的理念,以学习和交流为目的,这里准备逐一动手试试做实验,不管成功与否,都会记录下来---小小的进步或是搞不定的问题,希望能够抛砖引玉。
【Arduino】108种传感器模块系列实验(资料+代码+图形+仿真)
实验十九:常闭型SW-420震动开关传感器报警模块
震动开关
正确的名称应该称为震动传感器,也就是在感应震动力大小将感应结果传递到电路装置,并使电路启动工作的电子开关。震动开关主要应用于电子玩具、小家电、运动器材以及各类防盗器等产品中。震动开关因为拥有灵活且灵敏的触发性,成为许多电子产品中不可或缺的电子元件。


元件结构图


工作原理
平时任何角度开关都是接通状态,受到振动或移动时,开关内导通电流的滚轴会产生移动或振动,从而导致通过的电流断开或电阻阻值的升高而触发电路。这种开关的特点是平时一般处于导通状态耐振动时会短暂断开,所以它的灵敏度很高,通过IC的设置,客户可按自身产品的灵敏度要求作调整。

元件材质
1 带引线铜帽 黄铜管镀镍、引线为红铜镀锡
2 导针 黄铜底层镀镍-表层镀金
3 滚珠 不锈钢珠镀银或镀金
4 热收缩管 PE热收缩管/PET热收缩管
5 封口胶粒 PC

性能介绍
1、SW-420为单滚轴型全方位感应触发开关,本产品可全方产感应不同方向的振动、倾斜。
2、震动开关产品当向导电端(银色引脚端A)倾斜、倾斜角大于15度時,为开路OFF状态,当产品水平状态发生倾斜改变,触发端(镀金引脚端C)低于水平倾斜角大于于15度角時,为闭路ON状态。水平放置时,晃动可易触发。而银色脚向下时,晃动不易触发。 适用小电流电路的倾斜、震动感应触发。
3、震动开关本规格产品为完全密封式封裝,可防水、防尘。
4、震动开关在正常使用状态下,开关寿命可达10万次 。

常闭型SW-420震动开关传感器模块用途:
用于各种震动触发作用,报盗报警,智能小车,地震报警,摩托车报警等。
本模块与常开型震动传感器模块相比,震动触发的时间更长,可以驱动继电器模块。

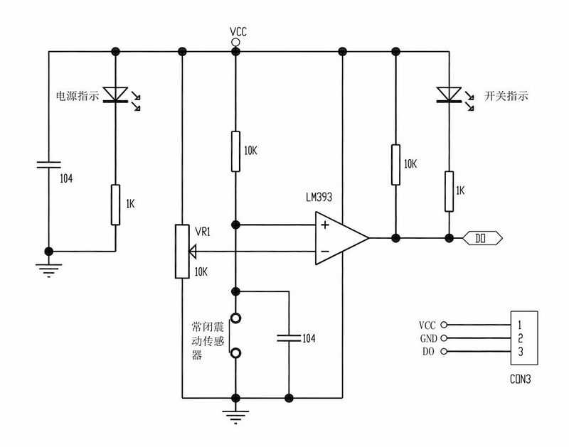
模块电原理图

模块特色:
1、采用SW-420常闭型震动传感器
2、比较器输出,信号干净,波形好,驱动能力强,超过15mA
3、工作电压3.3V-5V
4、输出形式 :数字开关量输出(0和1)
5、设有固定螺栓孔,方便安装
6、小板PCB尺寸:3.2cm x 1.4cm
7、使用宽电压LM393比较器


模块接口说明(3 线制)
1 VCC 外接 3.3V-5V 电压(可以直接与 5v 单片机和 3.3v 单片机相连)
2 GND 外接 GND
3 DO 小板数字量输出接口(0 和 1)
注意:正确接线!切勿将正负接反,使板子电子器件烧毁





/*
【Arduino】108种传感器模块系列实验(资料+代码+图形+仿真)
实验十九:常闭型SW-420震动开关传感器模块
*/
void setup()
{
pinMode(3,INPUT);
pinMode(13,OUTPUT);
}
void loop() {
if (digitalRead(3)) {
digitalWrite(13,HIGH);
delay(1000);
}
else {
digitalWrite(13,LOW);
}
}


原文:https://www.cnblogs.com/eagler8/p/11423074.html