HDMI初识
1.阅读文档xapp1287

(1) KC705 HDMI Reference Design Block Diagram

(2) KC705 HDMI Reference Design Clock & Datapath Diagram

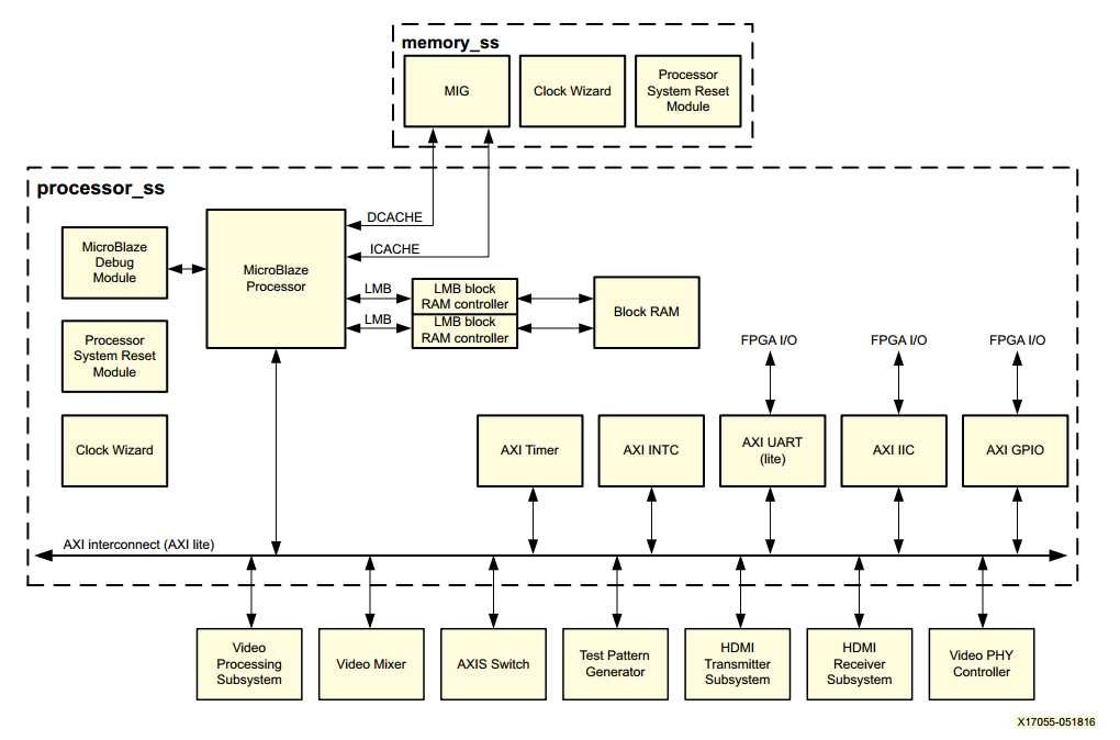
(3)HDMI Reference Design Block Diagram

2.阅读文档PG230

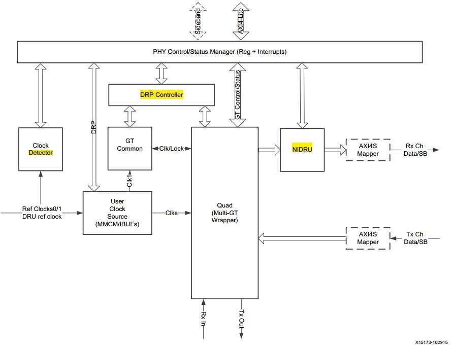
(1)Video PHY Controller Core Block Diagram

(2)GTXE2/GTHE2/GTHE3 Clocking (TX Buffer Bypass = Disabled)

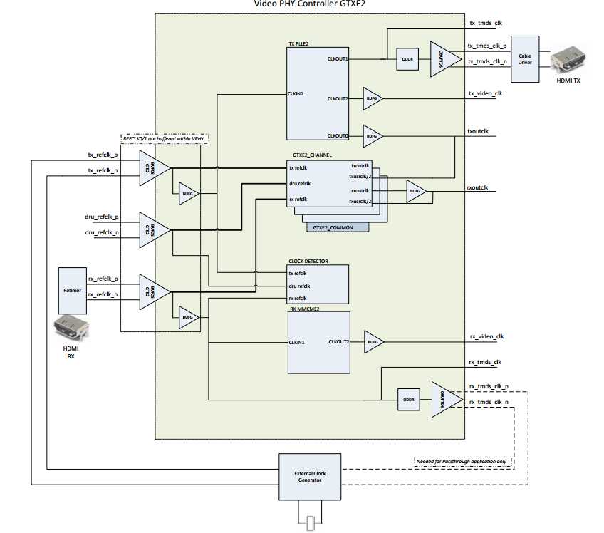
(3)GTXE2

3.阅读xapp1291

(1) KC705 Evaluation Kit Input and Output

(2) Reference Design

(3) Demonstration

原文:http://www.cnblogs.com/chensimin1990/p/7018167.html